Slovensky
Česky
Slovensky
Prihlásiť sa
Môj účet
Osobné údaje
Moje adresy
Moje objednávky
0 €
Košík
Nákupný košík
Prejsť do košíka
Produkty
Výrobcovia
Veľkoobchod
O nás
Montáže
Garážové vráta
Kontakt
Populárne produkty
Nalezeno: 3
KIT H30/645 - Pohon pre posuvné brány do 600kg
- Predaj ukončený
375,60 €
Predaj ukončený
SET Kalos XL.HN - sada pohonu pre posuvné brány do 1200kg
367,80 €
Kúpiť
SET MOVEO 24V.H - pohon pre posuvné brány do 700kg
353,40 €
Kúpiť
Populárni výrobcovia
ROGER Brushless
Roger Technology
Populárne kategórie
Pohony posuvných brán
Kategória
Pohony brán a vrát
93
Príslušenstvo
63
Diaľkové ovládače
102
Automatické závory
12
GSM a WIFI ovládanie
7
Prístupové systémy
31
Kovanie pre brány a vráta
110
Samonosné brány - kovanie
Teleskopické brány - kovanie
Krídlové brány - kovanie
Koľajnicové brány - kovanie
Závesné vráta - kovanie
Konštrukčné prvky brán a vrát
Zostavy kovania + pohon
11
Stavebná chémia
2
Náhradné diely
6
Výrobcovia
ROGER Brushless
46
Cardin
13
Epohony
54
Roger Technology
84
ELDES
4
CAIS - kovanie
83
Nice
21
Allmatic srl
16
Pohony SOMMER
6
Pohony Telcoma
13
Sebury Technology Co., LTD
13
BENINCA
2
FAAC
4
TOPKODAS
2
Somfy pohony
5
Dahua
7
Key Automation S.r.l.
1
Stavebná chémia
2
Force Door
3
...
C profily - Šíny
STAGE SB 6 - 6m Šína čierna pre posuvné brány do 400kg
C profily - Šíny
STAGE SB 6 - 6m Šína čierna pre posuvné brány do 400kg
Čierna šína - C profil pre samonosné brány
Kód produktu
STAGE SB 6
Hmotnosť
34 kg
Dostupnosť
Skladom
Výrobca
CAIS
Viac informácií
110,04 €
91,70 € bez DPH
Do košíka
Príslušenstvo
CA8S - vozík pre samonosnú posuvnú bránu do 400kg
Dostupnosť:
Skladom
51,96 €
s DPH
43,30 €
Kúpiť
SPEED S - vozík pre samonosnú posuvnú bránu do 400kg
Dostupnosť:
Skladom
68,76 €
s DPH
57,30 €
Kúpiť
Popis produktu
Parametre
Poslať dotaz
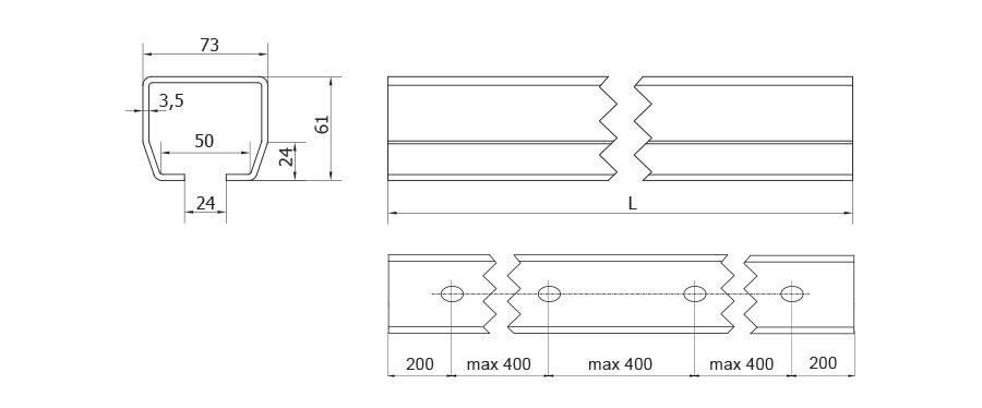
Šína čierna s výnosom do maximálnej dĺžky prejazdu 4m a hmotnosti 400kg.
uvedená cena za 6 m C profilu
hmotnosť 5,7kg/1m
pre vozík CA8RPS - SPEED S
Hmotnosť
34 kg
Meno
Priezvisko
Telefon
E-mail
Website
Email
Fill this
Dotaz k produktu
Prečítal/a som si a som si vedomý
Zásadami ochrany osobných údajov
a na základe toho súhlasím so spracovaním osobných údajov.
Odoslať
Už 19 rokov predaja kvalitných pohonov
Neviete si rady? Využite náš zákaznícky servis
V prípade záujmu zaistíme
odbornú montáž
Slovensky
Česky
Slovensky
Kategória
Pohony brán a vrát
93
Príslušenstvo
63
Diaľkové ovládače
102
Automatické závory
12
GSM a WIFI ovládanie
7
Prístupové systémy
31
Kovanie pre brány a vráta
110
Samonosné brány - kovanie
Teleskopické brány - kovanie
Krídlové brány - kovanie
Koľajnicové brány - kovanie
Závesné vráta - kovanie
Konštrukčné prvky brán a vrát
Zostavy kovania + pohon
11
Stavebná chémia
2
Náhradné diely
6
Výrobcovia pohonov
ROGER Brushless
46
Cardin
13
Epohony
54
Roger Technology
84
ELDES
4
CAIS - kovanie
83
Nice
21
Allmatic srl
16
Pohony SOMMER
6
Pohony Telcoma
13
Sebury Technology Co., LTD
13
BENINCA
2
FAAC
4
TOPKODAS
2
Somfy pohony
5
Dahua
7
Key Automation S.r.l.
1
Stavebná chémia
2
Force Door
3
Pohony brán a vrát
Pohony posuvných brán
Pohony krídlových brán
Pohony Garážových vrát
Všetko v tejto kategórii
Príslušenstvo
Pre posuvné brány
Pre krídlové brány
Garážové pohony
Všetko v tejto kategórii
Diaľkové ovládače
ROGER ovládače
ALLMATIC ovládače
CARDIN ovládače
Všetko v tejto kategórii
Automatické závory
Automatické závory do 4 m
Automatické závory do 6 m
Automatické závory do 8 m
Všetko v tejto kategórii
GSM a WIFI ovládanie
GSM ovládanie
Wifi modul + RF prijímač
Wifi moduly
Všetko v tejto kategórii
Prístupové systémy
Klávesnica a čítačky kariet
Čítačky odtlačku prstov
Všetko v tejto kategórii
Kovanie pre brány a vráta
Samonosné brány - kovanie
Teleskopické brány - kovanie
Krídlové brány - kovanie
Všetko v tejto kategórii
Zostavy kovania + pohon
Samonosné brány
Pojazdové brány s koľajnicou
Všetko v tejto kategórii
Stavebná chémia
Chemické kotvy
Všetko v tejto kategórii
Náhradné diely
ND Epohony
ND Cardin, Telcoma
Všetko v tejto kategórii
ROGER Brushless
Cardin
Epohony
Roger Technology
ELDES
CAIS - kovanie
Nice
Allmatic srl
Pohony SOMMER
Pohony Telcoma
Sebury Technology Co., LTD
BENINCA
FAAC
TOPKODAS
Somfy pohony
Dahua
Key Automation S.r.l.
Stavebná chémia
Force Door